您好!欢迎来到上海潭兴企业有限公司官方网站!我司为台湾潭兴精工有限公司大陆分公司。








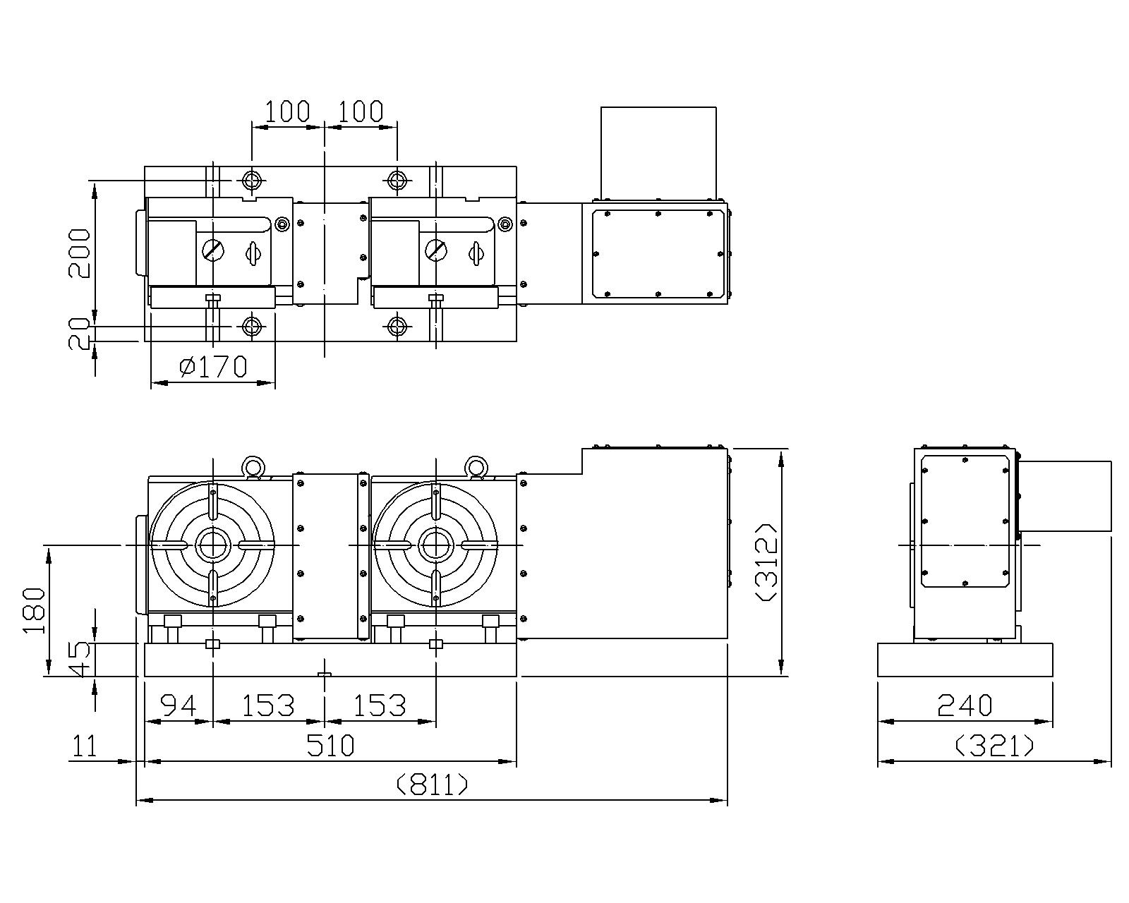
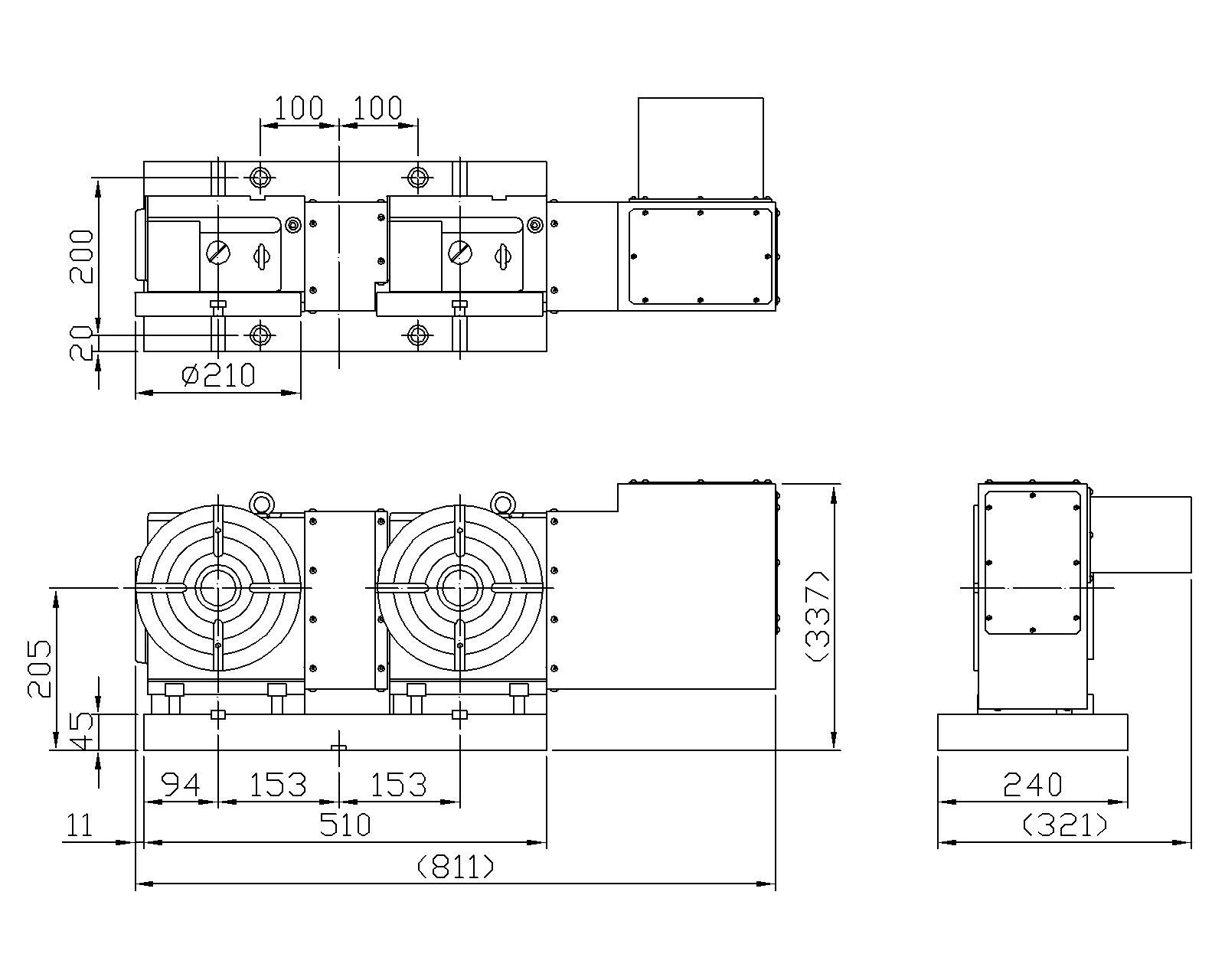
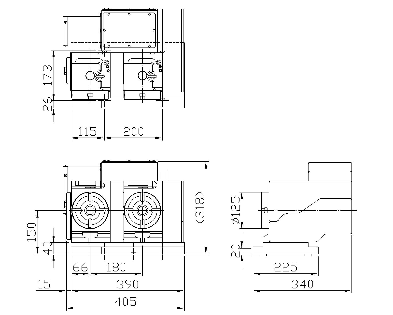
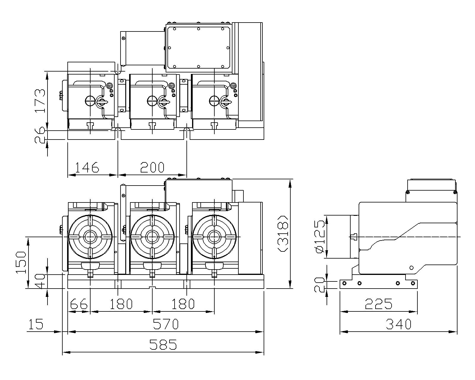
| 規格/型號 | 單位 | VRNC-A125-2W VRNC-A125A-F-2W | VRNC-A125-3W VRNC-A125A-F-3W | VRNC-170-2W | VRNC-170-3W | VRNC-210-2W | VRNC-210-3W | ||
|---|---|---|---|---|---|---|---|---|---|
| 旋台直徑 | mm | ?125 | ?170 | ?210 | |||||
| 中心高度 | 立式位置 | mm | 150 | 180 | 205 | ||||
| 中心孔直徑 | mm | ?30H7 | ?35H7 | ?45H7 | |||||
| 貫穿孔徑 | mm | ?30 | ?35 | ?45 | |||||
| 工作台T型槽寬度 | mm | 12H7 | 12H7 | 12H7 | |||||
| 導塊寬度 | mm | 14h7 | 18h7 | 18h7 | |||||
| 小設定單位 | deg. | 0.001° | 0.001° | 0.001° | |||||
| 分度精度 | sec. | 40" | 20" | 20" | |||||
| 重覆精度 | sec. | 4" | 4" | 4" | |||||
| 伺服馬達 (廠牌可依需求指定) | FANUC | αiF 4 | αiF 8 | αiF 8 | |||||
| MITSUBISHI | HF/HG-104S | HF/HG-154S | HF/HG-154S | ||||||
| SIEMENS | 1FK7063 | 1FK7063 | 1FK7063 | ||||||
| HEIDENHAIN | QSY116E | QSY116J | QSY116J | ||||||
| 總減速比 | 1/90 | 1/90 | 1/90 | ||||||
| 盤面更高轉速 | r.p.m | 44.4 | 33.3 | 33.3 | |||||
| 容許旋轉扭矩 | N.m (kgf.m) | 83.3(8.5) | 147(15) | 147(15) | |||||
| 使用壓力(鎖緊方式) | kg/cm2 | 5 (Pne.) | 5 (Pne.) | 5 (Pne.) | |||||
| 夾緊扭矩 | N.m (kgf.m) | 78.4(8) | 78.4(8) | 156.8(16) | |||||
| 容許工件載重 | 立式安裝時 | kg | 46x2=92 | 26x3=78 | 67X2=134 | 34X3=102 | 65X2=130 | 30X3=90 | |
| 使用尾座時 | kg | 92 | 78 | 134 | 102 | 130 | 90 | ||
| 容許切削負載力矩 (轉盤夾緊時) | F軸向力 | N (kgf) | 12000(1224) | 14000(1428) | 14000(1428) | ||||
| FxL徑向力 | N.m (kgf.m) | 78.4(8) | 78.4(8) | 156.8(16) | |||||
| FxL傾斜力矩 | N.m (kgf.m) | 450(45.9) | 1020(104) | 1020(104) | |||||
| 容許負載慣性矩 | J=W.D2/8 | kg.m2 (kg.cm.sec2) | 0.09 (0.92) | 0.05 (0.5) | 0.24(2.47) | 0.123 (1.25) | 0.36 (3.66) | 0.165 (1.69) | |
| 旋台重量(不含伺服馬達) | kg | 88 | 128 | 137 | 210 | 153 | 234 | ||
企业名称:
上海潭兴企业有限公司
公司电话:
021-59785163
公司地址:
上海市青浦区崧盈路1299号5号楼1楼
资料获取:
021-59785162-8003
扫码关注我们
Copyright@2021 备案号:沪ICP备19042082号 技术支持:应客网 sitemap.xml